Assembly Thermocouple

Product Application
Usually used in conjunction with display instruments, recording instruments, electronic computers and so on. Direct measurement of various production processes (0 ~ 1300)°C range of liquid, steam and gas media and solid surface temperature.
Product Principle
The electrodes of the Armored Thermocouple consist of two different conductor materials. When there is a temperature difference between the measuring end and the reference end, a thermoelectric potential is generated and the working instrument displays the temperature value corresponding to the thermoelectric potential.
Product Features
- Less thermal response time, reducing dynamic errors.
- Bendable mounting for use.
- Large measuring range.
- High mechanical strength, good pressure resistance.
- Junction box protection level IP65, IP66.
Technical Parameters
1. Executive Standard of the Product
- International standard IEC60584.
- National standard GB/T18404, GB/T304292.
2. Room Temperature Insulation Resistance
The insulation resistance of the Assembly Thermocouple is ≥ 1000 MΩ between the electrode and the outer casing at an ambient temperature of (20 ± 15)°C, a relative humidity of not more than 80%, and a test voltage of (500 ± 50)V DC. That is, the insulation resistance of a 1m-long specimen is 1000MN; and the insulation potential of a 10m-long specimen is 100 MΩ.
3. Temperature measurement range and tolerance
| s el | Graduation | Tolerance level | |||
|---|---|---|---|---|---|
| I | II | ||||
| Tolerance value | Temperature range | Tolerance value | Temperature measurement range | ||
| WRNK | K | -40 ~ +375 | ±1.5°C | -40 ~ +333 | ±2.5°C |
| 375 ~ 1000 | ±0.004|t| | 333 ~ 1200 | ±0.0075|t| | ||
| WRMK | N | -40 ~ +375 | ±1.5°C | -40 ~ +333 | ±2.5°C |
| 375 ~ 1000 | ±0.004|t| | 333 ~ 1200 | ±0.0075|t| | ||
| WREK | E | -40 ~ +375 | ±1.5°C | -40 ~ +333 | ±2.5°C |
| 375 ~ 800 | ±0.004|t| | 333 ~ 900 | ±0.0075|t| | ||
| WRFK | J | -40 ~ +375 | ±1.5°C | -40 ~ +333 | ±2.5°C |
| 375 ~ 750 | ±0.004|t| | 333 ~ 750 | ±0.0075|t| | ||
| WRCK | T | -40 ~ +125 | ±0.5°C | -40 ~ +133 | ±1.0°C |
| 125 ~ 350 | ±0.004|t| | 133 ~ 350 | ±0.0075|t| | ||
| WRPK | S | 0 ~ +1100 | ±1.0°C | 0 ~ 600 | ±1.5°C |
| 1100 ~ 1600 | ±[1+0.003(t-1100)] | 600 ~ 1600 | ±0.0025|t| | ||
| WRQK | R | 0 ~ +1100 | ±1.0°C | 0 ~ 600 | ±1.5°C |
| 1100 ~ 1600 | ±[1+0.003(t-1100)] | 600 ~ 1600 | ±0.0025|t| | ||
| WRRK | B | / | / | 600 ~ 1700 | ±0.0025|t| |
4. Thermal Response Time (t0.5)
| Protection tube diameter (mm) | Protective tube material | Thermal response time (s) |
|---|---|---|
| Ф16 | Non-metallic | ≤240 |
| Metallic | ≤180 | |
| Ф20 | Metallic | ≤240 |
| Ф25 | Non-metallic | ≤300 |
| Conical protective tube | Metallic |
Model Naming Method
Structure diagram

- WRN-130 (Non-metallic protective tube)
- WRN-130
- WRN-230
- WRN-330
- WRN-330 (Adjustable ferrule flange)
- WRN-430
Installation form

- Vertical pipeline installation
- Straight connector
- Tube
- Inclined pipeline installation
- Tube
- Straight connector
- Flange installation
- Short tube
- Flange installation
- Tube
Straight connector
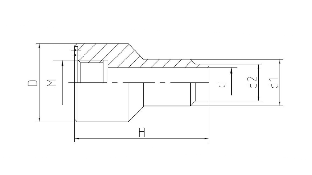
TH48 size

| Code | M | D | d | d1 | d2 | H |
|---|---|---|---|---|---|---|
| TH48A | M12x1.5 | Ф32 | Ф7 | Ф18 | Ф12 | 60, 120 |
| TH48B | M16x1.5 | Ф34 | Ф10 | Ф24 | Ф14 | 80 |
| TH48C | M20x1.5 | Ф39 | Ф10 | Ф26 | Ф14 | 60 |
| TH48D | M27x2 | Ф47 | Ф22 | Ф32 | Ф26 | 60 |
| TH48E | M33x2 | Ф55 | Ф22 | Ф36 | Ф26 | 120 |
| TH48F | NPT1/2 | Ф39 | Ф16 | Ф27 | Ф21 | 60, 120 |
| TH48G | NPT3/4 | Ф47 | Ф20 | Ф31 | Ф25 | |
| TH48H | NPT1 | Ф47 | Ф30 | Ф41 | Ф35 |
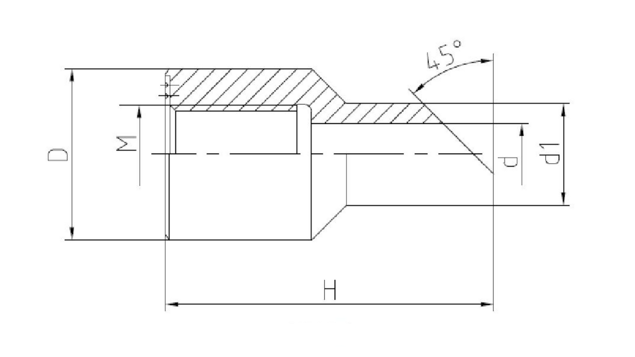
TH49 size

| Code | M | D | d | d1 | H |
|---|---|---|---|---|---|
| TH49A | M27x2 | Ф47 | Ф18 | Ф28 | 90 |
| TH49B | M33x2 | Ф55 | Ф24 | Ф36 | 150 |
| TH49C | NPT1/2 | Ф39 | Ф16 | Ф27 | 90 |
| TH49D | NPT3/4 | Ф47 | Ф20 | Ф31 | 90 |
| TH49E | NPT1 | Ф47 | Ф30 | Ф41 | 150 |